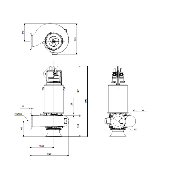
Канализационный насос Grundfos S3.110.500.1000.6.70L.C.402.G.N.D.511

Паспорта, инструкции по эксплуатации, схемы и другие необходимые документы вы можете запросить у менеджеров нашей компании
Основные характеристики
Производительность
Производительность Под производительностью насоса, она же подача или объемный расход, понимают объем жидкости, перекачиваемый оборудованием в единицу времени. Параметр обозначается буквой Q
1438 - 3246 м3
Напор
Напор Напор — это наибольшая высота, на которую насос может поднять перекачиваемую жидкость. Данный параметр напрямую связан с рабочим давлением: для подъёма водяного столба на 10 м необходимо давление в 1 бар. Подробные формулы расчёта оптимального напора можно запросить у сотрудников компании.
16.08 - 3.2 м
Потребляемая мощность
Потребляемая мощность Численная мера количества электрической энергии, необходимой для функционирования насоса. Более высокая мощность дает больший запас надежности на случай нештатных ситуаций и позволяет справляться с более серьезными загрязнениями, но при этом она заметно влияет на цену, габариты, вес и потребление электричества/топлива.
100 кВт
Напряжение питания
Напряжение питания Напряжение сети переменного тока, на которое рассчитан электродвигатель насоса
Назначение
Назначение Для каждой задачи подходят разные виды насосов и мотопомп, поэтому первый критерий при выборе - это его назначение. Насосы бывают для водоснабжения, отопления, дренажа и канализации, пожарные, шламовые, для бассейнов, пищевой и химической промышленности.
дренаж и канализация
Вид насоса
Вид насоса Основная масса насосов - центробежные. Они используются для подачи воды в водоснабжении, отоплении, дренажа и канализации. Вихревые используется там, где необходимо обеспечить значительный напор при малых объемах (перекачка воды из водоемов, скважин, накопительных резервуаров). Диафрагменные или мембранные могут применяться, когда необходимо перекачивать вязкие, загрязненные или агрессивные жидкости под небольшим давлением.
Конструкция
Конструкция Консольная конструкция насоса является наиболее надежной. Насос и двигатель устанавливаются на единую массивную раму. Насосная часть присоединяется к двигателю через эластичную муфту.

Консольно-моноблочные – насосная часть присоединяется непосредственно к корпусу двигателя. Преимущества: меньшие размеры, цена и отсутствие необходимости производить центровку насоса с электромотором.

Скважинный насос - насос для подачи чистой воды из скважин, колодцев и других глубоких водоемов.
Тип размещения
Тип размещения В зависимости от того, погружен ли насос в воду (полностью или частично) или нет, различают три вида насосов: поверхностные, погружные и полупогружные
Перекачиваемая жидкость
Перекачиваемая жидкость От физических и химических свойств перекачиваемой среды зависят конструкция насоса, принцип его работы, а также выбор материала. Это второй по важности признак для классификации насосов. Насосы бывают предназначены для: воды разной степени загрязнения, горюче-смазочных материалов, агрессивных жидкостей, пищевых жидкостей.
вода
Минимальная температура теплоносителя
Минимальная температура теплоносителя Минимальная температура перекачиваемой жидкости, при которой разрешается эксплуатировать насос. Превышение данного параметра может привести к поломке насоса.
0 °C
Максимальная температура теплоносителя
Максимальная температура теплоносителя Максимальная температура перекачиваемой жидкости, при которой разрешается эксплуатировать насос. Превышение данного параметра может привести к поломке насоса.
+40 °C
Дополнительные параметры
Исполнение
Исполнение По типу исполнения насосы есть вертикальные, горизонтальные и серии in-line (насосы располагающиеся на одной линии)
Устройство
Устройство Одноступенчатые насосы имеют одно рабочее колесо, многоступенчатые - два и более. При этом их принцип действия остается идентичным, улучшаются лишь эксплуатационные характеристики - производительность и напор.
Измельчитель
нет
Поплавок
нет
Частота вращения двигателя
Частота вращения двигателя Физическая величина, равная числу полных оборотов за единицу времени
984 об/мин
Инверторный
Инверторный Инвертор, это устройство позволяющее смягчить пусковые токи и регулировать обороты двигателя в зависимости от нагрузки по потребности воды.
нет
Ротор
Ротор Насосы с "сухим" ротором используются для циркуляции больших объемов воды. Двигатель не соприкасается с перекачиваемой водой. Роторы данного типа требуют регулярных профилактических работ и чаще устанавливают на крупных предприятиях. У насосов с "мокрым" ротором мотор полностью погружен в перекачиваемую воду, которая смазывает детали и одновременно охлаждает двигатель. Такие насосы преимущественно используются в индивидуальных системах отопления.
Самовсасывающий
Самовсасывающий Самовсасывающий насос –тип поверхностного насоса, который способен обеспечить самозаполнение подводящего трубопровода жидкостью. Служит для подачи воды из колодцев и водоемов, а также для поддержания напора в системах водоснабжения.
нет
Взрывозащищенный
Взрывозащищенный Требование по взрывозащите (EX исполнение, Explosion-Proof) достаточно часто встречается на предприятиях связанных с нефтепереработкой, при этом насосы могут вполне применяться для отведения нейтральных взрывобезопасных жидкостей.
нет
Число двигателей
Число двигателей 2 и более двигателя – это несклько насосов в одном корпусе, которые отделяются друг от друга с помощью перекидного клапана. Данные насосы могут работать в двух различных режимах, режим работы «основной/резервный» и режим параллельной работы обоих насосов.
1
Гидроаккумулятор
Материал рабочих колес (крыльчатка)
Материал рабочих колес (крыльчатка) Материал, из которого выполнена основная подвижная часть рабочего механизма — крыльчатка (в центробежных и вихревых моделях) или шнек (в винтовых)
чугун с шаровидным графитом
Тип соединения
Тип соединения Резьбовое соединение используется для присоединения арматуры малого и среднего диаметра, устанавливаемой на трубопроводах среднего и низкого давления.

Главным преимуществом фланцевого соединения является способность воспринимать осевые усилия, а также возможность быстрого монтажа/демонтажа арматуры.
Класс защиты
Класс защиты IP (Ingress Protection Rating) — система классификации степеней защиты оболочки электрооборудования от проникновения твёрдых предметов и воды. Проникновение твердых механических предметов указывается первой цифрой (от 0 до 6), второй цифрой обозначается стойкость оборудования к воздействию жидкости (от 0 до 8).
IP 68
Класс изоляции
Класс изоляции Степень защиты обмоток двигателя от нагревания. Каждый класс изоляции рассчитан на определенную температуру, которая является рабочей, и нормально переносится. Классы изоляции и предельные температуры для них: Y (90°С), A (105°С), E (120°С), B (130°С), F (155°С), H (180°С), C (более 180°С)
F
Массо-габаритные характеристики
Масса
1910 кг
Производитель
Артикул товара
Артикул товара Артикул товара - это его уникальное условное обозначение, которое присваивается производителем, чтобы отличить его от других в ассортименте и сделать удобным поиск нужного наименования по каталогам и складским базам
95112952
Страна происхождения
Дания
Гарантия
Гарантия Все оборудование, поставляемое нашей компанией, с официальной гарантией от завода изготовителя.
2 года
Подходит для
  • Насосные установки используют когда затруднён отвод самотёком
  • Сбор и отведение сточных вод от нескольких сантехприборов
  • Повторное использование воды
  • Противопаводковая защита
  • Очистка сточных вод
  • Отвод сточных вод

Канализационные насосы

S3.110.500.1000.6.70L.C.402.G.N.D.511

Несамовсасывающий одноступенчатый центробежный насос, предназначенный для перекачивания сточных вод, технологических вод и неочищенных сточных вод, не пропущенных через решетку. Насос предназначен для периодической и непрерывной эксплуатации. Охлаждающий кожух обеспечивает возможность работы насоса, установленного в погруженном или «сухом» положении, без охлаждения электродвигателя. Трехканальное рабочее колесо пропускает твердые частицы размером до 110 мм . Система регулирования зазора рабочего колеса SmartTrim позволяет обеспечивать максимальную производительность в течение срока службы насоса. Для облегчения транспортировки, а также монтажа на месте насос оснащен прочным подъемным кронштейном. При монтаже на автоматической трубной муфте система уплотнения Grundfos SmartSeal обеспечивает герметичное соединение. Соединения трубопроводов обеспечиваются с использованием фланца DIN .

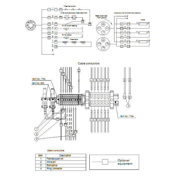
Система управления:
Реле влажности:  c реле влажности
Датчик воды в масле:  без датчика воды в масле

Жидкость:
Рабочая жидкость:  Любая вязкая жидкость
Диапазон температур жидкости:  0 .. 40 °C
Плотность:  998.2 кг/м³

Технические данные:
Текущий диаметр рабочего колеса:  404 мм
Тип рабочего колеса:  3-канальный
Максимальный размер частицы:  110 мм
Первичное уплотнение вала:  SIC-SIC
Вторичное уплотнение вала:  SIC-CARBON
Допуски по рабочим хар-кам:  ISO9906:2012 3B

Материалы:
Корпус насоса:  Чугун с шаровидным графитом
   EN 1563 EN-GJS-500-7
   AISI 80-55-06
Рабочее колесо:  Чугун с шаровидным графитом
   EN 1563 EN-GJS-500-7
   AISI 80-55-06
Электродвигатель:  Чугун
   EN 1561 EN-GJL-250
   AISI A48 30

Монтаж:
Диапазон температуры окружающей среды:  -20 .. 40 °C
Преимущества работы с ГК ЭнергоПроф:
Надежная сервисная поддержка

Гарантия на оборудование и проводимые работы. Сопровождение клиента по любым вопросам на всем цикле реализованных объектов

Индивидуальные проекты

Богатый опыт работы по нестандартным задачам, созданию опытных образцов с переводом в серийное производство

Четкое соблюдение сроков

Ответственное отношение к согласованным срокам - важнейший принцип нашей компании

Профессионализм сотрудников

Каждый из 30 инженеров обладает опытом в отрасли более 10 лет, необходимыми сертификатами и допусками, проходит обязательную ежегодную переаттестацию

Работаем по всей России

Гарантированная техническая поддержка в любом регионе от Калининграда на западе до Южно-Сахалинска на востоке, от Астаны на юге до северного Тикси

Любая сложность проектов

На сегодняшний день наш опыт позволяет эффективно решать задачи клиента любой степени сложности с полной ответственностью за конечный результат