Канализационный насос Grundfos MOG.31.3.2

Паспорта, инструкции по эксплуатации, схемы и другие необходимые документы вы можете запросить у менеджеров нашей компании
Основные характеристики
Производительность
Производительность Под производительностью насоса, она же подача или объемный расход, понимают объем жидкости, перекачиваемый оборудованием в единицу времени. Параметр обозначается буквой Q
0.11 - 17 м3
Напор
Напор Напор — это наибольшая высота, на которую насос может поднять перекачиваемую жидкость. Данный параметр напрямую связан с рабочим давлением: для подъёма водяного столба на 10 м необходимо давление в 1 бар. Подробные формулы расчёта оптимального напора можно запросить у сотрудников компании.
37.08 - 18.9 м
Потребляемая мощность
Потребляемая мощность Численная мера количества электрической энергии, необходимой для функционирования насоса. Более высокая мощность дает больший запас надежности на случай нештатных ситуаций и позволяет справляться с более серьезными загрязнениями, но при этом она заметно влияет на цену, габариты, вес и потребление электричества/топлива.
3.1 кВт
Напряжение питания
Напряжение питания Напряжение сети переменного тока, на которое рассчитан электродвигатель насоса
Назначение
Назначение Для каждой задачи подходят разные виды насосов и мотопомп, поэтому первый критерий при выборе - это его назначение. Насосы бывают для водоснабжения, отопления, дренажа и канализации, пожарные, шламовые, для бассейнов, пищевой и химической промышленности.
дренаж и канализация
Вид насоса
Вид насоса Основная масса насосов - центробежные. Они используются для подачи воды в водоснабжении, отоплении, дренажа и канализации. Вихревые используется там, где необходимо обеспечить значительный напор при малых объемах (перекачка воды из водоемов, скважин, накопительных резервуаров). Диафрагменные или мембранные могут применяться, когда необходимо перекачивать вязкие, загрязненные или агрессивные жидкости под небольшим давлением.
Конструкция
Конструкция Консольная конструкция насоса является наиболее надежной. Насос и двигатель устанавливаются на единую массивную раму. Насосная часть присоединяется к двигателю через эластичную муфту.

Консольно-моноблочные – насосная часть присоединяется непосредственно к корпусу двигателя. Преимущества: меньшие размеры, цена и отсутствие необходимости производить центровку насоса с электромотором.

Скважинный насос - насос для подачи чистой воды из скважин, колодцев и других глубоких водоемов.
Тип размещения
Тип размещения В зависимости от того, погружен ли насос в воду (полностью или частично) или нет, различают три вида насосов: поверхностные, погружные и полупогружные
Перекачиваемая жидкость
Перекачиваемая жидкость От физических и химических свойств перекачиваемой среды зависят конструкция насоса, принцип его работы, а также выбор материала. Это второй по важности признак для классификации насосов. Насосы бывают предназначены для: воды разной степени загрязнения, горюче-смазочных материалов, агрессивных жидкостей, пищевых жидкостей.
вода
Минимальная температура теплоносителя
Минимальная температура теплоносителя Минимальная температура перекачиваемой жидкости, при которой разрешается эксплуатировать насос. Превышение данного параметра может привести к поломке насоса.
+5 °C
Максимальная температура теплоносителя
Максимальная температура теплоносителя Максимальная температура перекачиваемой жидкости, при которой разрешается эксплуатировать насос. Превышение данного параметра может привести к поломке насоса.
+40 °C
Дополнительные параметры
Исполнение
Исполнение По типу исполнения насосы есть вертикальные, горизонтальные и серии in-line (насосы располагающиеся на одной линии)
Устройство
Устройство Одноступенчатые насосы имеют одно рабочее колесо, многоступенчатые - два и более. При этом их принцип действия остается идентичным, улучшаются лишь эксплуатационные характеристики - производительность и напор.
Измельчитель
есть
Поплавок
нет
Частота вращения двигателя
Частота вращения двигателя Физическая величина, равная числу полных оборотов за единицу времени
2900 об/мин
Инверторный
Инверторный Инвертор, это устройство позволяющее смягчить пусковые токи и регулировать обороты двигателя в зависимости от нагрузки по потребности воды.
нет
Самовсасывающий
Самовсасывающий Самовсасывающий насос –тип поверхностного насоса, который способен обеспечить самозаполнение подводящего трубопровода жидкостью. Служит для подачи воды из колодцев и водоемов, а также для поддержания напора в системах водоснабжения.
нет
Взрывозащищенный
Взрывозащищенный Требование по взрывозащите (EX исполнение, Explosion-Proof) достаточно часто встречается на предприятиях связанных с нефтепереработкой, при этом насосы могут вполне применяться для отведения нейтральных взрывобезопасных жидкостей.
нет
Число двигателей
Число двигателей 2 и более двигателя – это несклько насосов в одном корпусе, которые отделяются друг от друга с помощью перекидного клапана. Данные насосы могут работать в двух различных режимах, режим работы «основной/резервный» и режим параллельной работы обоих насосов.
1
Гидроаккумулятор
Тип соединения
Тип соединения Резьбовое соединение используется для присоединения арматуры малого и среднего диаметра, устанавливаемой на трубопроводах среднего и низкого давления.

Главным преимуществом фланцевого соединения является способность воспринимать осевые усилия, а также возможность быстрого монтажа/демонтажа арматуры.
Класс защиты
Класс защиты IP (Ingress Protection Rating) — система классификации степеней защиты оболочки электрооборудования от проникновения твёрдых предметов и воды. Проникновение твердых механических предметов указывается первой цифрой (от 0 до 6), второй цифрой обозначается стойкость оборудования к воздействию жидкости (от 0 до 8).
IP 68
Класс изоляции
Класс изоляции Степень защиты обмоток двигателя от нагревания. Каждый класс изоляции рассчитан на определенную температуру, которая является рабочей, и нормально переносится. Классы изоляции и предельные температуры для них: Y (90°С), A (105°С), E (120°С), B (130°С), F (155°С), H (180°С), C (более 180°С)
F
Массо-габаритные характеристики
Производитель
Артикул товара
Артикул товара Артикул товара - это его уникальное условное обозначение, которое присваивается производителем, чтобы отличить его от других в ассортименте и сделать удобным поиск нужного наименования по каталогам и складским базам
97901132
Страна происхождения
Дания
Гарантия
Гарантия Все оборудование, поставляемое нашей компанией, с официальной гарантией от завода изготовителя.
2 года
Подходит для
  • Насосные установки используют когда затруднён отвод самотёком
  • Бытовые сточные воды

Канализационные насосные станции для сбора и удаления черных и серых сточных вод

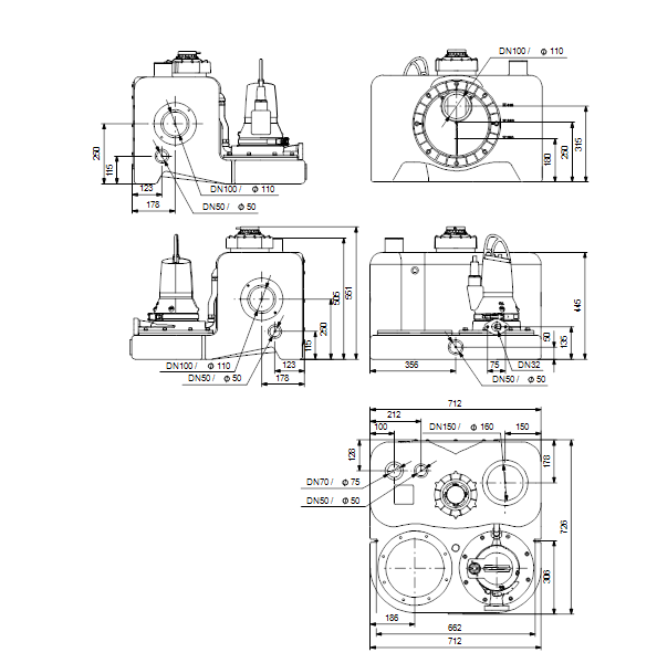
MOG.31.3.2

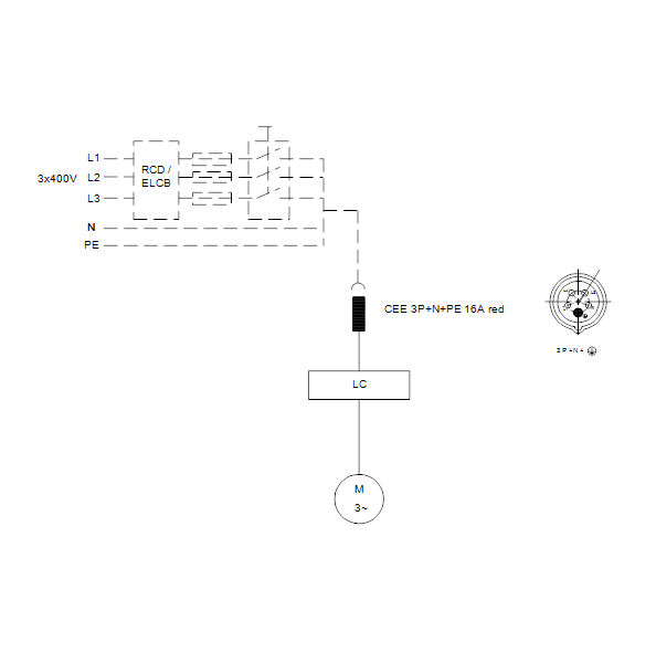
Multilift Поставляется полностью готовым к установке, состоит из герметичного резервуара с двумя насосами с режущим механизмом и погружными электродвигателями установленными на резервуар. Проводногно контроллера вкл.Датчик уровня. (Обратные клапаны и выпускные трубы поставляются в качестве принадлежностей).

Полностью герметичный резервуар обладает всеми необходимыми патрубками для подключения впускной трубы, сливной трубы, вентиляционные трубы и ручного мембранного насоса (принадлежность).

Резервуар содержит 7 входных патрубков по периметру. Выходной патрубок DN100 позволяет подключить трубопроводы от 180 и до 315 мм без переходников. DN100 и DN50 входы на каждой стороне. DN150, DN50 вход на верхней части резервуара.

Multilift на подвержен коррозии, а также герметичный и осадок на дне минимальный.

Насос с режущим механизмом, вихревым рабочим колесом типа Vortex и погружными электродвигателями, безопасная масляная камера для заливки масла между двумя уплотнениями вала. Напорный патрубок с внутренней резьбой 1 1/4".

LC221 контроллер с микропроцессором оснащен дисплеем для полной возможности мониторинга. Насос и датчик подключен к контроллеру с 4 м или 10 м кабеля и длины трубы. Кабель питания 1,5 м с вилкой (с фазоинвертором для 3-х фазный двигатель). Бесконтактные, пьезо-резистивный датчик давления подключаемый внутри шкафа, контролируется контроллером, с точностью до миллиметра и отображается на дисплее.

Контроллер для тепловой защиты электродвигателя и контроля работы насоса. Тепловая защита электродвигателя состоит из термического переключателя в обмотке.

Функции контроллера:

  • Включение / выключение одного насоса на основе непрерывного сигнала с пьезо-резистивным датчиком
  • Защита двигателя с помощью выключателя и / или измерения тока, а также подключения тепловых реле.
  • Защита двигателя от работы всухую
  • 24 часа автоматической работы в течение длительного периода
  • установка времени задержки:
    • Остановка задержки
    • Начало задержки
    • Задержка сигнализации (время от появления неисправности до тревоги
указано), чтобы предотвращает короткое время на высоком уровне тревоги в случае временного высокий приток в бак.
  • автоматическое измерение тока
  • операционные указанием:
    • Режим работы (автоматический, ручной)
    • Часы работы
    • Количество пусков
  • Журнал состояния:
    • Состояние насоса (работа, неисправность)
    • Последовательности фаз неисправностей и отсутствия фазы
    • Тепловой выключатель
    • Высокий уровень воды (сигнализация)
    • Время на обслуживание (по выбору).
  • выбор автоматического сброса аварийного сигнала
  • журнал отказов до 20 аварийных сигналов
  • выбор между различными уровнями начала
  • выбор типа подключенного датчика
  • калибровка датчика (установка)
  • Выбор интервала обслуживания (0, 3, 6 или 12 месяцев).

В стандартной комплектации LC 221 имеет 4 беспотенциальных выходов для:

  • Насос работает
  • Выход из строя насоса
  • Высокий уровень воды сигнализации
  • Общая ошибка.
6 цифровых входов для выполнения следующих функций:
  • Соединительная плата датчика давления (в сборе)
  • Подключение аналоговых датчиков (4-20мА или 0-5В)
  • Подключения до четырех датчиков уровня или реле давления вместо аналогового датчика
  • Подключение отдельного датчика уровня, который будет использоваться для наводнений
Обнаружение вне Multilift. Подъемные станции часто устанавливается в поддон внутри подвала - самая низкая точка в здании. В случае например, Приток грунтовых вод или
Преимущества работы с ГК ЭнергоПроф:
Надежная сервисная поддержка

Гарантия на оборудование и проводимые работы. Сопровождение клиента по любым вопросам на всем цикле реализованных объектов

Индивидуальные проекты

Богатый опыт работы по нестандартным задачам, созданию опытных образцов с переводом в серийное производство

Четкое соблюдение сроков

Ответственное отношение к согласованным срокам - важнейший принцип нашей компании

Профессионализм сотрудников

Каждый из 30 инженеров обладает опытом в отрасли более 10 лет, необходимыми сертификатами и допусками, проходит обязательную ежегодную переаттестацию

Работаем по всей России

Гарантированная техническая поддержка в любом регионе от Калининграда на западе до Южно-Сахалинска на востоке, от Астаны на юге до северного Тикси

Любая сложность проектов

На сегодняшний день наш опыт позволяет эффективно решать задачи клиента любой степени сложности с полной ответственностью за конечный результат