Насосная установка Grundfos Hydro Solo-E CRE 1-4 HQQE

Паспорта, инструкции по эксплуатации, схемы и другие необходимые документы вы можете запросить у менеджеров нашей компании
Основные характеристики
Производительность
Производительность Под производительностью насоса, она же подача или объемный расход, понимают объем жидкости, перекачиваемый оборудованием в единицу времени. Параметр обозначается буквой Q
0.76 - 2.8 м3
Напор
Напор Напор — это наибольшая высота, на которую насос может поднять перекачиваемую жидкость. Данный параметр напрямую связан с рабочим давлением: для подъёма водяного столба на 10 м необходимо давление в 1 бар. Подробные формулы расчёта оптимального напора можно запросить у сотрудников компании.
34.92 - 19.08 м
Потребляемая мощность
Потребляемая мощность Численная мера количества электрической энергии, необходимой для функционирования насоса. Более высокая мощность дает больший запас надежности на случай нештатных ситуаций и позволяет справляться с более серьезными загрязнениями, но при этом она заметно влияет на цену, габариты, вес и потребление электричества/топлива.
0.37 кВт
Напряжение питания
Напряжение питания Напряжение сети переменного тока, на которое рассчитан электродвигатель насоса
Назначение
Назначение Для каждой задачи подходят разные виды насосов и мотопомп, поэтому первый критерий при выборе - это его назначение. Насосы бывают для водоснабжения, отопления, дренажа и канализации, пожарные, шламовые, для бассейнов, пищевой и химической промышленности.
пожарные
Вид насоса
Вид насоса Основная масса насосов - центробежные. Они используются для подачи воды в водоснабжении, отоплении, дренажа и канализации. Вихревые используется там, где необходимо обеспечить значительный напор при малых объемах (перекачка воды из водоемов, скважин, накопительных резервуаров). Диафрагменные или мембранные могут применяться, когда необходимо перекачивать вязкие, загрязненные или агрессивные жидкости под небольшим давлением.
Конструкция
Конструкция Консольная конструкция насоса является наиболее надежной. Насос и двигатель устанавливаются на единую массивную раму. Насосная часть присоединяется к двигателю через эластичную муфту.

Консольно-моноблочные – насосная часть присоединяется непосредственно к корпусу двигателя. Преимущества: меньшие размеры, цена и отсутствие необходимости производить центровку насоса с электромотором.

Скважинный насос - насос для подачи чистой воды из скважин, колодцев и других глубоких водоемов.
Тип размещения
Тип размещения В зависимости от того, погружен ли насос в воду (полностью или частично) или нет, различают три вида насосов: поверхностные, погружные и полупогружные
Перекачиваемая жидкость
Перекачиваемая жидкость От физических и химических свойств перекачиваемой среды зависят конструкция насоса, принцип его работы, а также выбор материала. Это второй по важности признак для классификации насосов. Насосы бывают предназначены для: воды разной степени загрязнения, горюче-смазочных материалов, агрессивных жидкостей, пищевых жидкостей.
вода
Минимальная температура теплоносителя
Минимальная температура теплоносителя Минимальная температура перекачиваемой жидкости, при которой разрешается эксплуатировать насос. Превышение данного параметра может привести к поломке насоса.
0 °C
Максимальная температура теплоносителя
Максимальная температура теплоносителя Максимальная температура перекачиваемой жидкости, при которой разрешается эксплуатировать насос. Превышение данного параметра может привести к поломке насоса.
+60 °C
Дополнительные параметры
Исполнение
Исполнение По типу исполнения насосы есть вертикальные, горизонтальные и серии in-line (насосы располагающиеся на одной линии)
Устройство
Устройство Одноступенчатые насосы имеют одно рабочее колесо, многоступенчатые - два и более. При этом их принцип действия остается идентичным, улучшаются лишь эксплуатационные характеристики - производительность и напор.
Частота вращения двигателя
Частота вращения двигателя Физическая величина, равная числу полных оборотов за единицу времени
360-4000 об/мин
Инверторный
Инверторный Инвертор, это устройство позволяющее смягчить пусковые токи и регулировать обороты двигателя в зависимости от нагрузки по потребности воды.
Ротор
Ротор Насосы с "сухим" ротором используются для циркуляции больших объемов воды. Двигатель не соприкасается с перекачиваемой водой. Роторы данного типа требуют регулярных профилактических работ и чаще устанавливают на крупных предприятиях. У насосов с "мокрым" ротором мотор полностью погружен в перекачиваемую воду, которая смазывает детали и одновременно охлаждает двигатель. Такие насосы преимущественно используются в индивидуальных системах отопления.
Самовсасывающий
Самовсасывающий Самовсасывающий насос –тип поверхностного насоса, который способен обеспечить самозаполнение подводящего трубопровода жидкостью. Служит для подачи воды из колодцев и водоемов, а также для поддержания напора в системах водоснабжения.
нет
Взрывозащищенный
Взрывозащищенный Требование по взрывозащите (EX исполнение, Explosion-Proof) достаточно часто встречается на предприятиях связанных с нефтепереработкой, при этом насосы могут вполне применяться для отведения нейтральных взрывобезопасных жидкостей.
нет
Число двигателей
Число двигателей 2 и более двигателя – это несклько насосов в одном корпусе, которые отделяются друг от друга с помощью перекидного клапана. Данные насосы могут работать в двух различных режимах, режим работы «основной/резервный» и режим параллельной работы обоих насосов.
1
Гидроаккумулятор
Материал корпуса
Материал корпуса Материал, из которого изготовлен корпус насоса в полном соответствии с характеристиками перекачиваемой жидкости
Материал рабочих колес (крыльчатка)
Материал рабочих колес (крыльчатка) Материал, из которого выполнена основная подвижная часть рабочего механизма — крыльчатка (в центробежных и вихревых моделях) или шнек (в винтовых)
нержавеющая сталь
Тип соединения
Тип соединения Резьбовое соединение используется для присоединения арматуры малого и среднего диаметра, устанавливаемой на трубопроводах среднего и низкого давления.

Главным преимуществом фланцевого соединения является способность воспринимать осевые усилия, а также возможность быстрого монтажа/демонтажа арматуры.
Класс защиты
Класс защиты IP (Ingress Protection Rating) — система классификации степеней защиты оболочки электрооборудования от проникновения твёрдых предметов и воды. Проникновение твердых механических предметов указывается первой цифрой (от 0 до 6), второй цифрой обозначается стойкость оборудования к воздействию жидкости (от 0 до 8).
IP 55
Класс изоляции
Класс изоляции Степень защиты обмоток двигателя от нагревания. Каждый класс изоляции рассчитан на определенную температуру, которая является рабочей, и нормально переносится. Классы изоляции и предельные температуры для них: Y (90°С), A (105°С), E (120°С), B (130°С), F (155°С), H (180°С), C (более 180°С)
F
Массо-габаритные характеристики
Масса
37.5 кг
Производитель
Артикул товара
Артикул товара Артикул товара - это его уникальное условное обозначение, которое присваивается производителем, чтобы отличить его от других в ассортименте и сделать удобным поиск нужного наименования по каталогам и складским базам
98453506
Страна происхождения
Дания
Гарантия
Гарантия Все оборудование, поставляемое нашей компанией, с официальной гарантией от завода изготовителя.
2 года
Подходит для
  • Повышение давления в коммерческих зданиях
  • Подача воды
  • Капельное/Микро орошение
  • Защита от замерзания
  • Механизированное орошение
  • Ирригация с использованием поверхностных вод

Комплектные установки повышения давления для перекачивания чистой воды. В состав установки входит частотно-регулируемый насос CRE, датчик давления, мембранный бак, запорная арматура и напорный коллектор.

Hydro Solo-E CRE 1-4 HQQE

Установка повышения давления Grundfos Hydro Solo-E с одним насосом представляет собой единый агрегат, включающий в себя один E-насос (CRE), снабженный запорным клапаном, обратным клапаном, напорным патрубком, датчиком давления, манометром и мембранным гидробаком. Установка повышения давления готова к эксплуатации сразу после доставки.

Установка собрана на заводе и протестирована для работы в режиме постоянного давления.

Насос оснащен трехфазным фланцевым соединением IEC Двигатель MGE с преобразователем частоты и ПИ-контроллер встроен в клеммную коробку двигателя Никакой дополнительной защиты двигателя не требуется, так как и двигатель, и электроника защищены встроенной защитой от перегрузки и высокой температуры.

Панель управления позволяет установить требуемое заданное значение, а также установить насос в положение MIN или MAX производительности или до останова. Индикатор Grundfos Eye на панели управления обеспечивает визуальную индикацию работы насоса: панель управления имеет индикаторы

  • «ВКЛ»: двигатель работает (вращается зеленый индикатор) или не работает (постоянно горит зеленый индикатор)
  • «Предупреждение»: двигатель все еще работает (вращается желтый индикатор) или остановлен (постоянно горит желтый индикатор)
  • «Тревога»: двигатель остановлен (мигает красный индикатор).

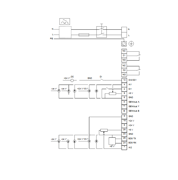
Связь с насосом возможна с помощью Grundfos GO Remote (принадлежность). Пульт дистанционного управления позволяет выполнять дальнейшие настройки, а также считывать ряд параметров, таких как «Фактическое значение», «Скорость», «Потребляемая мощность» и общая «Потребляемая мощность». Клеммная коробка имеет ряд входов и выходов, позволяющих использовать двигатель в сложных условиях:

  • Два выделенных цифровых входа
  • Три аналоговых входа, 0 (4) -20 мА, 0-5 В, 0-10 В, 0,5 - 3,5 В
  • 5 В подача напряжения на потенциометр и датчик
  • Один аналоговый выход, 0-10 В, 0 (4) -20 мА
  • Два настраиваемых цифровых входа или выхода с открытым коллектором
  • Два входа Pt100 / Pt1000
  • LiqTec, вход датчика защиты от сухого хода
  • Grundfos Digital Sensor вход и выход
  • Напряжение питания 24 В для датчиков
  • Два сигнальных релейных выхода (беспотенциальные контакты)
  • GENIbus соединение
  • Интерфейс для модуля Grundfos CIM.
Преимущества работы с ГК ЭнергоПроф:
Надежная сервисная поддержка

Гарантия на оборудование и проводимые работы. Сопровождение клиента по любым вопросам на всем цикле реализованных объектов

Индивидуальные проекты

Богатый опыт работы по нестандартным задачам, созданию опытных образцов с переводом в серийное производство

Четкое соблюдение сроков

Ответственное отношение к согласованным срокам - важнейший принцип нашей компании

Профессионализм сотрудников

Каждый из 30 инженеров обладает опытом в отрасли более 10 лет, необходимыми сертификатами и допусками, проходит обязательную ежегодную переаттестацию

Работаем по всей России

Гарантированная техническая поддержка в любом регионе от Калининграда на западе до Южно-Сахалинска на востоке, от Астаны на юге до северного Тикси

Любая сложность проектов

На сегодняшний день наш опыт позволяет эффективно решать задачи клиента любой степени сложности с полной ответственностью за конечный результат