Циркуляционный насос Grundfos CR 1-8 A-FGJ-A-E-HQQE

Паспорта, инструкции по эксплуатации, схемы и другие необходимые документы вы можете запросить у менеджеров нашей компании
Основные характеристики
Производительность
Производительность Под производительностью насоса, она же подача или объемный расход, понимают объем жидкости, перекачиваемый оборудованием в единицу времени. Параметр обозначается буквой Q
0.7 - 2.4 м3
Напор
Напор Напор — это наибольшая высота, на которую насос может поднять перекачиваемую жидкость. Данный параметр напрямую связан с рабочим давлением: для подъёма водяного столба на 10 м необходимо давление в 1 бар. Подробные формулы расчёта оптимального напора можно запросить у сотрудников компании.
49.66 - 27.04 м
Потребляемая мощность
Потребляемая мощность Численная мера количества электрической энергии, необходимой для функционирования насоса. Более высокая мощность дает больший запас надежности на случай нештатных ситуаций и позволяет справляться с более серьезными загрязнениями, но при этом она заметно влияет на цену, габариты, вес и потребление электричества/топлива.
0.55 кВт
Напряжение питания
Напряжение питания Напряжение сети переменного тока, на которое рассчитан электродвигатель насоса
Назначение
Назначение Для каждой задачи подходят разные виды насосов и мотопомп, поэтому первый критерий при выборе - это его назначение. Насосы бывают для водоснабжения, отопления, дренажа и канализации, пожарные, шламовые, для бассейнов, пищевой и химической промышленности.
отопление
Вид насоса
Вид насоса Основная масса насосов - центробежные. Они используются для подачи воды в водоснабжении, отоплении, дренажа и канализации. Вихревые используется там, где необходимо обеспечить значительный напор при малых объемах (перекачка воды из водоемов, скважин, накопительных резервуаров). Диафрагменные или мембранные могут применяться, когда необходимо перекачивать вязкие, загрязненные или агрессивные жидкости под небольшим давлением.
Категория насосов отопления
Категория насосов отопления Циркуляционный насос — одна из главных составляющих системы отопления и горячего водоснабжения. Предназначен для обеспечения принудительного движения жидкости по замкнутому контуру, а также рециркуляции. Опрессовочный насос предназначен для проверки под давлением отопительных систем. Позволяет проверить герметичен ли трубопровод, определить аварийное место в гидравлике для устранения неполадки и т.д.
Конструкция
Конструкция Консольная конструкция насоса является наиболее надежной. Насос и двигатель устанавливаются на единую массивную раму. Насосная часть присоединяется к двигателю через эластичную муфту.

Консольно-моноблочные – насосная часть присоединяется непосредственно к корпусу двигателя. Преимущества: меньшие размеры, цена и отсутствие необходимости производить центровку насоса с электромотором.

Скважинный насос - насос для подачи чистой воды из скважин, колодцев и других глубоких водоемов.
Тип размещения
Тип размещения В зависимости от того, погружен ли насос в воду (полностью или частично) или нет, различают три вида насосов: поверхностные, погружные и полупогружные
Перекачиваемая жидкость
Перекачиваемая жидкость От физических и химических свойств перекачиваемой среды зависят конструкция насоса, принцип его работы, а также выбор материала. Это второй по важности признак для классификации насосов. Насосы бывают предназначены для: воды разной степени загрязнения, горюче-смазочных материалов, агрессивных жидкостей, пищевых жидкостей.
вода
Минимальная температура теплоносителя
Минимальная температура теплоносителя Минимальная температура перекачиваемой жидкости, при которой разрешается эксплуатировать насос. Превышение данного параметра может привести к поломке насоса.
-20 °C
Максимальная температура теплоносителя
Максимальная температура теплоносителя Максимальная температура перекачиваемой жидкости, при которой разрешается эксплуатировать насос. Превышение данного параметра может привести к поломке насоса.
+120 °C
Дополнительные параметры
Исполнение
Исполнение По типу исполнения насосы есть вертикальные, горизонтальные и серии in-line (насосы располагающиеся на одной линии)
Устройство
Устройство Одноступенчатые насосы имеют одно рабочее колесо, многоступенчатые - два и более. При этом их принцип действия остается идентичным, улучшаются лишь эксплуатационные характеристики - производительность и напор.
Частота вращения двигателя
Частота вращения двигателя Физическая величина, равная числу полных оборотов за единицу времени
2830-2850 об/мин
Инверторный
Инверторный Инвертор, это устройство позволяющее смягчить пусковые токи и регулировать обороты двигателя в зависимости от нагрузки по потребности воды.
нет
Ротор
Ротор Насосы с "сухим" ротором используются для циркуляции больших объемов воды. Двигатель не соприкасается с перекачиваемой водой. Роторы данного типа требуют регулярных профилактических работ и чаще устанавливают на крупных предприятиях. У насосов с "мокрым" ротором мотор полностью погружен в перекачиваемую воду, которая смазывает детали и одновременно охлаждает двигатель. Такие насосы преимущественно используются в индивидуальных системах отопления.
Самовсасывающий
Самовсасывающий Самовсасывающий насос –тип поверхностного насоса, который способен обеспечить самозаполнение подводящего трубопровода жидкостью. Служит для подачи воды из колодцев и водоемов, а также для поддержания напора в системах водоснабжения.
нет
Взрывозащищенный
Взрывозащищенный Требование по взрывозащите (EX исполнение, Explosion-Proof) достаточно часто встречается на предприятиях связанных с нефтепереработкой, при этом насосы могут вполне применяться для отведения нейтральных взрывобезопасных жидкостей.
нет
Число двигателей
Число двигателей 2 и более двигателя – это несклько насосов в одном корпусе, которые отделяются друг от друга с помощью перекидного клапана. Данные насосы могут работать в двух различных режимах, режим работы «основной/резервный» и режим параллельной работы обоих насосов.
1
Гидроаккумулятор
Материал корпуса
Материал корпуса Материал, из которого изготовлен корпус насоса в полном соответствии с характеристиками перекачиваемой жидкости
Материал рабочих колес (крыльчатка)
Материал рабочих колес (крыльчатка) Материал, из которого выполнена основная подвижная часть рабочего механизма — крыльчатка (в центробежных и вихревых моделях) или шнек (в винтовых)
нержавеющая сталь
Тип соединения
Тип соединения Резьбовое соединение используется для присоединения арматуры малого и среднего диаметра, устанавливаемой на трубопроводах среднего и низкого давления.

Главным преимуществом фланцевого соединения является способность воспринимать осевые усилия, а также возможность быстрого монтажа/демонтажа арматуры.
Класс изоляции
Класс изоляции Степень защиты обмоток двигателя от нагревания. Каждый класс изоляции рассчитан на определенную температуру, которая является рабочей, и нормально переносится. Классы изоляции и предельные температуры для них: Y (90°С), A (105°С), E (120°С), B (130°С), F (155°С), H (180°С), C (более 180°С)
F
Массо-габаритные характеристики
Масса
24.6 кг
Производитель
Артикул товара
Артикул товара Артикул товара - это его уникальное условное обозначение, которое присваивается производителем, чтобы отличить его от других в ассортименте и сделать удобным поиск нужного наименования по каталогам и складским базам
96516245
Страна происхождения
Дания
Гарантия
Гарантия Все оборудование, поставляемое нашей компанией, с официальной гарантией от завода изготовителя.
2 года
Подходит для
  • Кондиционирование воздуха в коммерческих зданиях
  • Противопожарная защита - Коммерческие здания
  • Отопление в коммерческих зданиях
  • Повышение давления в коммерческих зданиях
  • Центральное холодоснабжение
  • Центральное отопление
  • Биотопливо
  • Мойка бутылок
  • CIP/SIP
  • Охлаждение
  • Опреснение
  • Заполнение
  • Водоснабжение
  • Механическая обработка
  • Лакокрасочные системы
  • Фильтрация
  • Промывание и очистка
  • Регулировка температуры
  • Промышленные котлы
  • Системы пожаротушения промышленного применения
  • Промышленное отопление
  • Водоснабжение на предприятии
  • Водоподготовка на предприятии
  • Сбор и отведение сточных вод от нескольких сантехприборов
  • Повторное использование воды
  • Водоподготовка
  • Ирригация
  • Насос для системы работащей на солнечных батареях
  • Выщелачивание (исполнение SPM), Химически загрязненная вода (исполнение SP.NE)
  • Подача воды
  • Капельное/Микро орошение
  • Защита от замерзания
  • Механизированное орошение

Вертикальные многоступенчатые центробежные насосы

CR 1-8 A-FGJ-A-E-HQQE

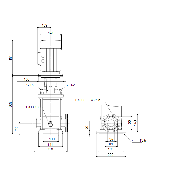
Вертикальный многоступенчатый центробежный насос с всасывающим и напорным патрубками, расположенными на одном уровне ("ин-лайн"), что обеспечивает возможность установки в горизонтальной однотрубной системе. Головная часть и основание насоса из чугуна - все остальные контактирующие с перекачиваемой жидкостью детали из нержавеющей стали. Картриджное уплотнение вала обеспечивает высокую надежность, безопасное использование и легкий доступ для обслуживания. Вращение передается через разъемную муфту. Соединение трубопровода выполняется с помощью комбинированных фланцев стандартов DIN-ANSI-JIS. Насос оснащен асинхронным 3-фазным электродвигателем на лапах, с воздушным охлаждением.

Преимущества работы с ГК ЭнергоПроф:
Надежная сервисная поддержка

Гарантия на оборудование и проводимые работы. Сопровождение клиента по любым вопросам на всем цикле реализованных объектов

Индивидуальные проекты

Богатый опыт работы по нестандартным задачам, созданию опытных образцов с переводом в серийное производство

Четкое соблюдение сроков

Ответственное отношение к согласованным срокам - важнейший принцип нашей компании

Профессионализм сотрудников

Каждый из 30 инженеров обладает опытом в отрасли более 10 лет, необходимыми сертификатами и допусками, проходит обязательную ежегодную переаттестацию

Работаем по всей России

Гарантированная техническая поддержка в любом регионе от Калининграда на западе до Южно-Сахалинска на востоке, от Астаны на юге до северного Тикси

Любая сложность проектов

На сегодняшний день наш опыт позволяет эффективно решать задачи клиента любой степени сложности с полной ответственностью за конечный результат